Каталог
Каталог Написать в WhatsApp
Мотоэкипировка

Блок цилиндров и картер 2-Х ТАКТНОГО ПЛМ MERCURY 55 Серийный номер от 0D000750 до 0G290584

Блок цилиндров и картер 2-Х ТАКТНОГО ПЛМ MERCURY 55 Серийный номер от 0D000750 до 0G290584 в Нижнем Новгороде: актуальный каталог, цены, фото, описание. Купите блок цилиндров и картер 2-х тактного плм mercury 55 серийный номер от 0d000750 до 0g290584 в кредит – оформите заявку онлайн за 1 минуту!

Оригинальные запчасти

Артикул НАИМЕНОВАНИЕ Кол-во деталей в узле Примечание Наличие Цена Аналоги Фото
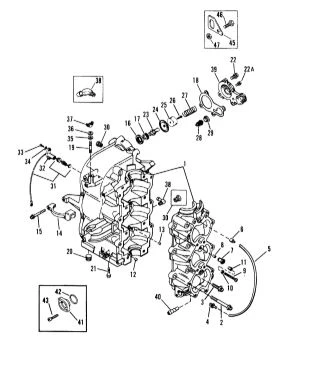
1 9755A9 CYLINDER BLOCK (50)

Под заказ

1

Под заказ

уточнить

Купить
2 9755T14 CYLINDER BLOCK

Под заказ

1

Под заказ

уточнить

Купить
3 9755T10 CYLINDER BLOCK

Под заказ

1

Под заказ

уточнить

Купить
4 9755T15 CYLINDER BLOCK

Под заказ

1

Под заказ

уточнить

Купить
5 81742780 SCREW (M8 X 80 HEX FLANGE HEAD)

Под заказ

8

Под заказ

уточнить

Купить
6 81742730 Болт (SCREW (M8 X 30))

Под заказ

6

Под заказ

уточнить

Купить
7 426585 Перепускной клапан (VALVE-CHECK)

Под заказ

1

Под заказ

уточнить

Купить
8 892024122 Шланг обратного клапана (TUBING-20 FEET)

Под заказ

1

Под заказ

уточнить

Купить
9 426233 Клапан (CHECK VALVE)

Под заказ

1

Под заказ

уточнить

Купить
10 812888A1 Держатель (CARRIER ASSEMBLY)

Под заказ

2

Под заказ

уточнить

Купить
11 400212 Гайка (NUT)

Под заказ

1

Под заказ

уточнить

Купить
12 42942 CAP, NYLON-ADJUSTING

Под заказ

1

Под заказ

уточнить

Купить
13 43044 Штифт (PIN, Dowel - Without Hole (.375 x .625))

Под заказ

1

Под заказ

уточнить

Купить
14 8M0084653 Шпонка (PIN - DOWEL)

Под заказ

3

Под заказ

уточнить

Купить
15 18597 COVER

Под заказ

1

Под заказ

уточнить

Купить
16 81742750 SCREW, (M8 x 50)

Под заказ

2

Под заказ

уточнить

Купить
17 65848 CARRIER, POPPET VALVE

Под заказ

1

Под заказ

уточнить

Купить
18 64872 Заглушка (GROMMET, POPPET VALVE)

Под заказ

1

Под заказ

уточнить

Купить
19 8128671 GASKET

Под заказ

1

Под заказ

уточнить

Купить
20 8128672 Прокладка (GASKET)

Под заказ

1

Под заказ

уточнить

Купить
21 8161949 Шпилька (STUD, M6 x 44)

Под заказ

2

Под заказ

уточнить

Купить
22 185981 PLUG, Pipe (.375-18)

Под заказ

4

Под заказ

уточнить

Купить
23 817430110 Болт (SCREW (M10 X 110))

Под заказ

6

Под заказ

уточнить

Купить
24 81742720 SCREW, (M8 x 20)

Под заказ

4

Под заказ

уточнить

Купить
25 40011149 SCREW, (M8 x 25)

Под заказ

4

Под заказ

уточнить

Купить
26 12896 SCREW, SWITCH

Под заказ

1

Под заказ

уточнить

Купить
27 8128821 POPPET

Под заказ

1

Под заказ

уточнить

Купить
28 812887 DIAPHRAGM

Под заказ

1

Под заказ

уточнить

Купить
29 812887002 Диафрагма (DIAPHRAGM)

Под заказ

1

Под заказ

уточнить

Купить
30 94182 WASHER

Под заказ

1

Под заказ

уточнить

Купить
31 69570 SCREW, COVER

Под заказ

1

Под заказ

уточнить

Купить
32 90392 SPRING, POPPET VALVE

Под заказ

1

Под заказ

уточнить

Купить
33 42996 SPRING, COMPRESSION - POPPET VALVE

Под заказ

1

Под заказ

уточнить

Купить
34 75692 Термостат (THERMOSTAT-143)

Под заказ

1

Под заказ

уточнить

Купить
35 14586 Термостат (THERMOSTAT-120)

Под заказ

1

Под заказ

уточнить

Купить
36 62386001 Прокладка (GASKET @4)

Под заказ

1

Под заказ

уточнить

Купить
37 328022 Заглушка (PIPE PLUG)

Под заказ

1

Под заказ

уточнить

Купить
38 787992 Датчик (SENDER-TEMP)

Под заказ

1

Под заказ

уточнить

Купить
39 889733 Корпус датчика температуры (RETAINER)

Под заказ

1

Под заказ

уточнить

Купить
40 878609 Болт (SCREW, (#10-16 x .600))

Под заказ

1

Под заказ

уточнить

Купить
41 56681 Шайба (WASHER, SWITCH BOX ATTACHING SCREW)

Под заказ

1

Под заказ

уточнить

Купить
42 49221 Шайба

Под заказ

2

Под заказ

уточнить

Купить
43 69056 Шайба

Под заказ

2

Под заказ

уточнить

Купить
44 816872 Гайка-барашек (WING NUT)

Под заказ

2

Под заказ

уточнить

Купить
45 996642 Топливный фиттинг (ELBOW)

Под заказ

1

Под заказ

уточнить

Купить
46 782792 Штуцер

Под заказ

1

Под заказ

уточнить

Купить
47 19074 COVER

Под заказ

1

Под заказ

уточнить

Купить
48 8M0036859 COVER

Под заказ

1

Под заказ

уточнить

Купить
49 56759 Штуцер (FITTING)

Под заказ

1

Под заказ

уточнить

Купить
50 8129961 COVER

Под заказ

1

Под заказ

уточнить

Купить
51 8129962 Заглушка (COVER)

Под заказ

1

Под заказ

уточнить

Купить
52 48462 Уплотнительное кольцо (O RING)

Под заказ

1

Под заказ

уточнить

Купить
53 40011108 Болт (SCREW)

Под заказ

2

Под заказ

уточнить

Купить
54 821595 LIFTING EYE

Под заказ

1

Под заказ

уточнить

Купить
55 821616 SCREW

Под заказ

1

Под заказ

уточнить

Купить
56 821606 SCREW (55MM)

Под заказ

1

Под заказ

уточнить

Купить
57 401368 NUT, (M8)

Под заказ

1

Под заказ

уточнить

Купить
58 812867A97 Набор прокладок (GASKET SET)

Под заказ

1

Под заказ

уточнить

Купить
59 811208T91 POWERHEAD ASSEMBLY COMPLETE (50)

Под заказ

1

Под заказ

уточнить

Купить
60 821744T92 POWERHEAD ASSEMBLY COMPLETE (55)

Под заказ

1

Под заказ

уточнить

Купить
61 811209T91 POWERHEAD ASSEMBLY COMPLETE (60)

Под заказ

1

Под заказ

уточнить

Купить
62 811209T93 POWERHEAD ASSEMBLY COMPLETE (ALL)

Под заказ

1

Под заказ

уточнить

Купить

Нулевая цена не означает отсутствие товара. Оформите заказ, и менеджер сообщит вам цену и наличие товара, предварительно запросив их у поставщика

Главная Магазины
Корзина0
Профиль